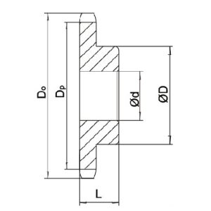
Standard Sprockets for HL881

| Item | Teeth | Overall Diameter | Pitch Diameter | Bore | Bob | ||
| A(mm) | B(mm) | A(mm) | B(mm) | Min(mm) | |||
| HL1873-T19 | 19 | 115.74 | 126 | 16 | 55 | 83 | 40 |
| HL1873-T20 | 20 | 121.78 | 123 | ||||
| HL1873-T21 | 21 | 127.82 | 138 | ||||
| HL1873-T22 | 22 | 133.86 | 144 | ||||
| HL1873-T23 | 23 | 139.90 | 150 | 18 | |||
| HL1873-T24 | 24 | 145.95 | 156 | ||||
| HL1873-T25 | 25 | 151.99 | 162 | ||||
Single or double rows of teeth sprockets available upon request. Two-part sprockets available upon request. Other sprockets sizes are available upon request. Please contact HONGLI chains for further information.
At here, it’s all about giving the clients thebest quality products.