Skip to content
+8613601870614
admin@unibanggroup.com
Facebook
Twitter
Youtube
Search
Home
Products
Conveyor Guardrail Pad Accessories
Guardrail Zone
10*20 Guardrail aluminum profiles
10 Flexible guardrail connector
10 Flexible guardrail end cap
15*20 Guardrail Aluminum Profiles
15 Flexible guardrail connector
15 Flexible guardrail end cap
Flexible guardrail connecting block
Plastic Screws
I-shaped guardrail connecting block C-aluminum block-L100
Flexible Chain Plate Disassembly Gun
Flexible chain main beam connecting block
4008 Ball Bearing Guardrail Aluminum Rail
Aluminum Adjustable Bracket C
Aluminum Adjustable Bracket B
Aluminum Adjustable Bracket A
Aluminum Adjustable Bracket 15*48
Aluminum Adjustable Bracket 41*54
Aluminum Adjustable Bracket 16*54
Fixed-distance Block
Guide Rail Clamp Support-XLRL
Guardrail Crossbar
Corner Connector
Flexible guardrail clamp-Black-18
Flexible Cross Clamp-18-20-Black
Large Cross-Shaped Collet
Round Aluminum Tube
Round Aluminum Tube Plug
Flat Aluminum Tube Plug
Flat Aluminum Tube
Guide Rail Support Frame-XLRF
Corner Connector
Guide Rail Support Bracket Spacer Block
Sprockets
For HL 812/815
For HL 820
For HL 812/815/820
For HL 821
For HL 880
For HL 881
For HL 882
For HL 1873
For HL 1300
Conveyor Components
PS01A/B
PS02A/B
PS03A/B/C
PS04
PS05A/B/C
PS06
PS07A/B
PS08A/B
PS09A/B
PS13
PS14
PS15
PS16
PS17
PS18
PS19
PS20
PS21
PS22
PS23
PS24
PS26
PS27
PS28
PS29
PS30
PS31
PS34
PS35
PS36
PS37
PS10
PS11
PS12A/B/C
D601
D801
D110
PS151
PS152
PS153
PS142
Bearing
UCF
UCP
UCFL
UCFC
UCFB
UCFA
UCT
Track/Star roller/Screw
882TAB Series Corner Tracks
880TAB/8811TAB Series Corner Tracks
880M Series Corner Tracks
880 Series Corner Tracks
1873 Series Corner Tracks
4009 Series Magnetic Corner Tracks
Can overturn/Screw/Star Roller
Return Rollers
T101
T102
T103
T104
T105
T106
T107
T108
T109
T110
T111
T112
T113
Support Section
44mm Support Beam
44mm Support Beam End Cap
80*80mm Support Beam
64mm Support Beam End Cap
88mm Support Beam
80*80mm Support Beam End Cap
40*80mm Support Beam End Cap
44*88mm Support Beam End Cap
80*80mm Support Beam
44*88mm Support Beam
40*80mm Support Beam
50mm Support Beam End Cap
40mm Support Beam End Cap
30mm Support Beam End Cap
60*60mm Support Beam
60mm Support Beam End Cap
30*60mm Support Beam End Cap
30*90mm Support Beam End Cap
Bow-shaped support frame 80-140
Bow-shaped support frame 80-85A
Bow-shaped support frame 80-105A
Bow-shaped support frame 64-65A
64L-shaped support frame-H100
80L-Shaped Support Frame-H135
80L-Shaped Support Frame-H120
80L-Shaped Support Frame-H100
Aluminum cast L-Shaped Support Frame 64-65
Aluminum Cast Bow-Shaped Support Frame 64-85
Aluminum Cast Bow-Shaped Support Frame 64-65
58A Corner Code
78A Corner Code
78B Corner Code
44*44 End Face Connecting Plate
64*64 End Face Connecting Plate
88*88 End Face Connecting Plate
64*210 Aluminum Feet
44*130 Carbon Steel Painted Feet
60*60 Aluminum Feet
88*210 Aluminum Feet
80*260 Aluminum Feet
64*64 Aluminum Feet
80*80 Aluminum Feet
Wear Strip
Flexible Chain Wear-Resistant Strip-FL18
Flexible Chain Wear-Resistant Strip-FL19
Flexible Chain Wear-Resistant Strip-FL20
Flexible Chain Wear-Resistant Strip-FL21
Flexible Chain Wear-Resistant Strip-FL22
Flexible Chain Wear-Resistant Strip-FL23
Flexible Chain Wear-Resistant Strip-FL24
Flexible Chain Wear-Resistant Strip-FL25
Flexible Chain Wear-Resistant Strip-FL26
Flexible Chain Wear-Resistant Strip-FL27
Flexible Chain Wear-Resistant Strip-FL28
Bend
45 Horizontal Wheel Bend-30°
45 Horizontal Wheel Bend-45°
45 Horizontal Wheel Bend-90°
45 Horizontal Wheel Bend-180°
65 Horizontal Wheel Bend-30°
65 Horizontal Wheel Bend-45°
65 Horizontal Wheel Bend-90°
65 Horizontal Wheel Bend-180°
85 Horizontal Wheel Bend-30°
85 Horizontal Wheel Bend-45°
85 Horizontal Wheel Bend-90°
85 Horizontal Wheel Bend-180°
105 Horizontal Wheel Bend-30°
105 Horizontal Wheel Bend-45°
105 Horizontal Wheel Bend-90°
45 Horizontal bend-30°
45 Horizontal bend-45°
45 Horizontal bend-60°
45 Horizontal bend-90°
65 Horizontal bend-30°
65 Horizontal bend-45°
65 Horizontal bend-60°
65 Horizontal bend-90°
85 Horizontal bend-30°
85 Horizontal bend-45°
85 Horizontal bend-60°
85 Horizontal bend-90°
105 Horizontal bend-30°
105 Horizontal bend-45°
105 Horizontal bend-60°
105 Horizontal bend-90°
145 Horizontal bend-30°
145 Horizontal bend-45°
145 Horizontal bend-60°
145 Horizontal bend-90°
155 Horizontal bend-30°
155 Horizontal bend-45°
155 Horizontal bend-60°
155 Horizontal bend-90°
180 Horizontal bend-30°
180 Horizontal bend-45°
180 Horizontal bend-60°
180 Horizontal bend-90°
300 Horizontal bend-30°
300 Horizontal bend-45°
300 Horizontal bend-60°
300 Horizontal bend-90°
881TAB Horizontal bend-30°
881TAB Horizontal bend-45°
881TAB Horizontal bend-60°
881TAB Horizontal bend-90°
45 Vertical bend-5°
45 Vertical bend-30°
45 Vertical bend-45°
45 Vertical bend-60°
45 Vertical bend-90°
65 Vertical bend-5°
65 Vertical bend-7°
65 Vertical bend-15°
65 Vertical bend-30°
65 Vertical bend-45°
65 Vertical bend-60°
65 Vertical bend-90°
85 Vertical bend-5°
85 Vertical bend-7°
85 Vertical bend-15°
85 Vertical bend-30°
85 Vertical bend-45°
85 Vertical bend-60°
85 Vertical bend-90°
105 Vertical bend-5°
105 Vertical bend-7°
105 Vertical bend-15°
105 Vertical bend-30°
105 Vertical bend-45°
105 Vertical bend-60°
105 Vertical bend-90°
145 Vertical bend-5°
145 Vertical bend-15°
145 Vertial bend-45°
155 Vertial bend-5°
155 Vertial bend-15°
155 Vertial bend-45°
180 Vertial bend-5°
180 Vertial bend-15°
180 Vertial bend-45°
300 Vertial bend-5°
300 Vertial bend-15°
300 Vertial bend-45°
Conveying Beam
X45 Main Beam
45 Flexible Chain Profiles
65 Flexible Chain Profile
85 Flexible Chain Profile
105 Flexible Chain Profile
140 Flexible Chain Profile
145 Flexible Chain Profile
155 Flexible Chain Profile
182 Flexible Chain Profile
300 Flexible Chain Profile
45 Conveyor Half Beam
65 Conveyor Half Beam
85 Conveyor Half Beam
45 Opposite Side Clamp
65 Opposite Side Clamp
85 Opposite Side Clamp
105 Opposite Side Clamp
140 Opposite Side Clamp
45 Main Beam Connecting Beam
65 Main Beam Connecting Beam
85 Main Beam Connecting Beam
105 Main Beam Connecting Beam
145 Main Beam Connecting Beam
Flexible Drive Unit
X45 Drive Head
45 Fully Enclosed Drive Head
65 Fully Enclosed Drive Head
85 Fully Enclosed Drive Head
105 Fully Enclosed Drive Head
140 Fully Enclosed Drive Head
145 Fully Enclosed Drive Head
155 Fully Enclosed Drive Head
182 Fully Enclosed Drive Head
300 Fully Enclosed Drive Head
65 Semi-Sealed Head Drive
85 Semi-Sealed Head Drive
105 Semi-Sealed Head Drive
881TAB Semi-Sealed Head Drive
812/820 Semi-Sealed Head Drive
45 Fully Enclosed Intermediate Drive
140 Fully Enclosed Intermediate Drive
175 Fully Enclosed Intermediate Drive
295 Fully Enclosed Intermediate Drive
65 Fully Enclosed Intermediate Drive
85 Fully Enclosed Intermediate Drive
105 Fully Enclosed Intermediate Drive
45 Wheel Bend Drive Unit 180°
45 Wheel Bend Drive Unit 90°
65 Wheel Bend Drive Unit 180°
65 Wheel Bend Drive Unit 90°
85 Wheel Bend Drive Unit 180°
85 Wheel Bend Drive Unit 90°
105 Wheel Bend Drive Unit 180°
105 Wheel Bend Drive Unit 90°
Flexible Idler Unit
X45 Driven Tail
45 Driven Tail
65 Driven Tail
85 Driven Tail
140 Driven Tail
145 Driven Tail
155 Driven Tail
182 Driven Tail
300 Driven Tail
881TAB Driven Tail
812/820 Driven Tail
Other Products
Square Nuts
105 Conveyor Half Beam
Slider Nut
Spring Nut
Carbon steel T-bolt B
Carbon steel T-bolt A
Adjustment Handwheel
Clamping Connecting Rod
Clamping Steering Box
Clamping Width Adjustment Seat-L950
Clamping Width Adjustment Seat-L660
Chain Plate
Slat Top Chains-Steel
HL SS812
HL SSA812
HL SS881TAB
HL SS881M
HL SS881
HL SSA802
HL SS802
HL SS802M
HL JC802
HL JC812TAB
HL JC812
Slat Top Chains-Plastic
HL 820
HL 880M
HL 880
HL 880TAB
HL 880B0
HL 879B0
HL821
HL882Y
HL 882TAB
LPB Chains
LBP831
HL LBP821
HL LBP882TAB
Two-Piece Chains
HL963
HL863
HL843
HL845
HL 1873TAB
HL1873GL*
HL1873GL0*
HL1873GL3*
HL1873GA*/1873GB
Side flex Spiral Top Chains
3872 Side flex Spiral Top chains – Right Handed
3872 Side flex Spiral Top Chains – Left Handed
2873 Side flex Spiral Top chains
1873 Side flex Spiral Top Chains
3873 Side flex Spiral Top chains Gapless Plate – Right Handed
3873 Side flex Spiral Top chains Gapless Plate – Left Handed
3873 S-Radius ide flex Spiral Top chains Gapless Plate – Twin bearing
3872 Side flex Spiral Top Chains
2873SE-W265 Side flex Spiral Top Chains
Flex chains
1703
HL 1704
HL 1705
HL 1706
HL 1100
HL 1200
HL 1300
HL 9350
HL 1808
HL 1812
HL 2600
HL 2600TAB
HL 1400
HL 695
HL 635
HL 826
44 Plate Chain
44 Width-Tooth Plate Chain
43 Round-Head Convex Stop Chain
43 Round-Head Convex Point Chain
43 Round-Head Baffle Chain
44 V-Type Chain
X45 Plate Chain
63 A-Type Single Baffle Chain
140 Conveyor Half Beam
63 A-type Baffle Chain
63 Triangle Baffle Chain
63 Plate Chain
63 Full-Gum Anti-Slip Chain
63 V-Type Chain
63 Ball Chain
63 Steel Top Chain
63 Bottle-Clamping Chain
63 Seamless Crescent Chain
63 Pin Bottle Clamping Chain
63 Plate Chain
83 Cylindrical Baffle Chain
83 Triangle Baffle Chain
83 V-Type Chain
83 Ball Chain
Link8 3D Bottle Chain
83 Bottle Clamping Chain
103 Ball Chain
103 Anti-Slip Chain
103 Steel Top Chain
103 Triangle Baffle Chain
103 Plate Chain
140 Seamless Flat Chain
140 Plate Chain
Link140 Gear Chain
175 Pieces of Rubber Anti-Slip Chain
175 Plate Chain
175 Baffle Chain-H15
295 Seamless Flat Chain
Modular Belt
Pitch12.7mm
QX 400T
QX 400
HX 800
HX 500
QX 600
QX 600T
300
HX 1230
Pitch15.2mm
HX 1100
Pitch19.05mm
HX 100A
HX 100B
HX 100C
Pitch25.4mm
HX 1000A
HX 4707
QX 100
QX 100T
7400
SQX 200
RR 1600
HX 900
HX 1200
HX 1300
QX 300A(For Spiral Machine)
SC 1800(For Spiral Machine)
Pitch27.1mm
HX 300A
Pitch38.1mm
HX 4705
Pitch50.8mm
2000
QX 200
SC 3800(For Spiral Machine)
Processing Line
News
About us
Service
Contact Us
X
Home
Products
Conveyor Guardrail Pad Accessories
Guardrail Zone
10*20 Guardrail aluminum profiles
10 Flexible guardrail connector
10 Flexible guardrail end cap
15*20 Guardrail Aluminum Profiles
15 Flexible guardrail connector
15 Flexible guardrail end cap
Flexible guardrail connecting block
Plastic Screws
I-shaped guardrail connecting block C-aluminum block-L100
Flexible Chain Plate Disassembly Gun
Flexible chain main beam connecting block
4008 Ball Bearing Guardrail Aluminum Rail
Aluminum Adjustable Bracket C
Aluminum Adjustable Bracket B
Aluminum Adjustable Bracket A
Aluminum Adjustable Bracket 15*48
Aluminum Adjustable Bracket 41*54
Aluminum Adjustable Bracket 16*54
Fixed-distance Block
Guide Rail Clamp Support-XLRL
Guardrail Crossbar
Corner Connector
Flexible guardrail clamp-Black-18
Flexible Cross Clamp-18-20-Black
Large Cross-Shaped Collet
Round Aluminum Tube
Round Aluminum Tube Plug
Flat Aluminum Tube Plug
Flat Aluminum Tube
Guide Rail Support Frame-XLRF
Corner Connector
Guide Rail Support Bracket Spacer Block
Sprockets
For HL 812/815
For HL 820
For HL 812/815/820
For HL 821
For HL 880
For HL 881
For HL 882
For HL 1873
For HL 1300
Conveyor Components
PS01A/B
PS02A/B
PS03A/B/C
PS04
PS05A/B/C
PS06
PS07A/B
PS08A/B
PS09A/B
PS13
PS14
PS15
PS16
PS17
PS18
PS19
PS20
PS21
PS22
PS23
PS24
PS26
PS27
PS28
PS29
PS30
PS31
PS34
PS35
PS36
PS37
PS10
PS11
PS12A/B/C
D601
D801
D110
PS151
PS152
PS153
PS142
Bearing
UCF
UCP
UCFL
UCFC
UCFB
UCFA
UCT
Track/Star roller/Screw
882TAB Series Corner Tracks
880TAB/8811TAB Series Corner Tracks
880M Series Corner Tracks
880 Series Corner Tracks
1873 Series Corner Tracks
4009 Series Magnetic Corner Tracks
Can overturn/Screw/Star Roller
Return Rollers
T101
T102
T103
T104
T105
T106
T107
T108
T109
T110
T111
T112
T113
Support Section
44mm Support Beam
44mm Support Beam End Cap
80*80mm Support Beam
64mm Support Beam End Cap
88mm Support Beam
80*80mm Support Beam End Cap
40*80mm Support Beam End Cap
44*88mm Support Beam End Cap
80*80mm Support Beam
44*88mm Support Beam
40*80mm Support Beam
50mm Support Beam End Cap
40mm Support Beam End Cap
30mm Support Beam End Cap
60*60mm Support Beam
60mm Support Beam End Cap
30*60mm Support Beam End Cap
30*90mm Support Beam End Cap
Bow-shaped support frame 80-140
Bow-shaped support frame 80-85A
Bow-shaped support frame 80-105A
Bow-shaped support frame 64-65A
64L-shaped support frame-H100
80L-Shaped Support Frame-H135
80L-Shaped Support Frame-H120
80L-Shaped Support Frame-H100
Aluminum cast L-Shaped Support Frame 64-65
Aluminum Cast Bow-Shaped Support Frame 64-85
Aluminum Cast Bow-Shaped Support Frame 64-65
58A Corner Code
78A Corner Code
78B Corner Code
44*44 End Face Connecting Plate
64*64 End Face Connecting Plate
88*88 End Face Connecting Plate
64*210 Aluminum Feet
44*130 Carbon Steel Painted Feet
60*60 Aluminum Feet
88*210 Aluminum Feet
80*260 Aluminum Feet
64*64 Aluminum Feet
80*80 Aluminum Feet
Wear Strip
Flexible Chain Wear-Resistant Strip-FL18
Flexible Chain Wear-Resistant Strip-FL19
Flexible Chain Wear-Resistant Strip-FL20
Flexible Chain Wear-Resistant Strip-FL21
Flexible Chain Wear-Resistant Strip-FL22
Flexible Chain Wear-Resistant Strip-FL23
Flexible Chain Wear-Resistant Strip-FL24
Flexible Chain Wear-Resistant Strip-FL25
Flexible Chain Wear-Resistant Strip-FL26
Flexible Chain Wear-Resistant Strip-FL27
Flexible Chain Wear-Resistant Strip-FL28
Bend
45 Horizontal Wheel Bend-30°
45 Horizontal Wheel Bend-45°
45 Horizontal Wheel Bend-90°
45 Horizontal Wheel Bend-180°
65 Horizontal Wheel Bend-30°
65 Horizontal Wheel Bend-45°
65 Horizontal Wheel Bend-90°
65 Horizontal Wheel Bend-180°
85 Horizontal Wheel Bend-30°
85 Horizontal Wheel Bend-45°
85 Horizontal Wheel Bend-90°
85 Horizontal Wheel Bend-180°
105 Horizontal Wheel Bend-30°
105 Horizontal Wheel Bend-45°
105 Horizontal Wheel Bend-90°
45 Horizontal bend-30°
45 Horizontal bend-45°
45 Horizontal bend-60°
45 Horizontal bend-90°
65 Horizontal bend-30°
65 Horizontal bend-45°
65 Horizontal bend-60°
65 Horizontal bend-90°
85 Horizontal bend-30°
85 Horizontal bend-45°
85 Horizontal bend-60°
85 Horizontal bend-90°
105 Horizontal bend-30°
105 Horizontal bend-45°
105 Horizontal bend-60°
105 Horizontal bend-90°
145 Horizontal bend-30°
145 Horizontal bend-45°
145 Horizontal bend-60°
145 Horizontal bend-90°
155 Horizontal bend-30°
155 Horizontal bend-45°
155 Horizontal bend-60°
155 Horizontal bend-90°
180 Horizontal bend-30°
180 Horizontal bend-45°
180 Horizontal bend-60°
180 Horizontal bend-90°
300 Horizontal bend-30°
300 Horizontal bend-45°
300 Horizontal bend-60°
300 Horizontal bend-90°
881TAB Horizontal bend-30°
881TAB Horizontal bend-45°
881TAB Horizontal bend-60°
881TAB Horizontal bend-90°
45 Vertical bend-5°
45 Vertical bend-30°
45 Vertical bend-45°
45 Vertical bend-60°
45 Vertical bend-90°
65 Vertical bend-5°
65 Vertical bend-7°
65 Vertical bend-15°
65 Vertical bend-30°
65 Vertical bend-45°
65 Vertical bend-60°
65 Vertical bend-90°
85 Vertical bend-5°
85 Vertical bend-7°
85 Vertical bend-15°
85 Vertical bend-30°
85 Vertical bend-45°
85 Vertical bend-60°
85 Vertical bend-90°
105 Vertical bend-5°
105 Vertical bend-7°
105 Vertical bend-15°
105 Vertical bend-30°
105 Vertical bend-45°
105 Vertical bend-60°
105 Vertical bend-90°
145 Vertical bend-5°
145 Vertical bend-15°
145 Vertial bend-45°
155 Vertial bend-5°
155 Vertial bend-15°
155 Vertial bend-45°
180 Vertial bend-5°
180 Vertial bend-15°
180 Vertial bend-45°
300 Vertial bend-5°
300 Vertial bend-15°
300 Vertial bend-45°
Conveying Beam
X45 Main Beam
45 Flexible Chain Profiles
65 Flexible Chain Profile
85 Flexible Chain Profile
105 Flexible Chain Profile
140 Flexible Chain Profile
145 Flexible Chain Profile
155 Flexible Chain Profile
182 Flexible Chain Profile
300 Flexible Chain Profile
45 Conveyor Half Beam
65 Conveyor Half Beam
85 Conveyor Half Beam
45 Opposite Side Clamp
65 Opposite Side Clamp
85 Opposite Side Clamp
105 Opposite Side Clamp
140 Opposite Side Clamp
45 Main Beam Connecting Beam
65 Main Beam Connecting Beam
85 Main Beam Connecting Beam
105 Main Beam Connecting Beam
145 Main Beam Connecting Beam
Flexible Drive Unit
X45 Drive Head
45 Fully Enclosed Drive Head
65 Fully Enclosed Drive Head
85 Fully Enclosed Drive Head
105 Fully Enclosed Drive Head
140 Fully Enclosed Drive Head
145 Fully Enclosed Drive Head
155 Fully Enclosed Drive Head
182 Fully Enclosed Drive Head
300 Fully Enclosed Drive Head
65 Semi-Sealed Head Drive
85 Semi-Sealed Head Drive
105 Semi-Sealed Head Drive
881TAB Semi-Sealed Head Drive
812/820 Semi-Sealed Head Drive
45 Fully Enclosed Intermediate Drive
140 Fully Enclosed Intermediate Drive
175 Fully Enclosed Intermediate Drive
295 Fully Enclosed Intermediate Drive
65 Fully Enclosed Intermediate Drive
85 Fully Enclosed Intermediate Drive
105 Fully Enclosed Intermediate Drive
45 Wheel Bend Drive Unit 180°
45 Wheel Bend Drive Unit 90°
65 Wheel Bend Drive Unit 180°
65 Wheel Bend Drive Unit 90°
85 Wheel Bend Drive Unit 180°
85 Wheel Bend Drive Unit 90°
105 Wheel Bend Drive Unit 180°
105 Wheel Bend Drive Unit 90°
Flexible Idler Unit
X45 Driven Tail
45 Driven Tail
65 Driven Tail
85 Driven Tail
140 Driven Tail
145 Driven Tail
155 Driven Tail
182 Driven Tail
300 Driven Tail
881TAB Driven Tail
812/820 Driven Tail
Other Products
Square Nuts
105 Conveyor Half Beam
Slider Nut
Spring Nut
Carbon steel T-bolt B
Carbon steel T-bolt A
Adjustment Handwheel
Clamping Connecting Rod
Clamping Steering Box
Clamping Width Adjustment Seat-L950
Clamping Width Adjustment Seat-L660
Chain Plate
Slat Top Chains-Steel
HL SS812
HL SSA812
HL SS881TAB
HL SS881M
HL SS881
HL SSA802
HL SS802
HL SS802M
HL JC802
HL JC812TAB
HL JC812
Slat Top Chains-Plastic
HL 820
HL 880M
HL 880
HL 880TAB
HL 880B0
HL 879B0
HL821
HL882Y
HL 882TAB
LPB Chains
LBP831
HL LBP821
HL LBP882TAB
Two-Piece Chains
HL963
HL863
HL843
HL845
HL 1873TAB
HL1873GL*
HL1873GL0*
HL1873GL3*
HL1873GA*/1873GB
Side flex Spiral Top Chains
3872 Side flex Spiral Top chains – Right Handed
3872 Side flex Spiral Top Chains – Left Handed
2873 Side flex Spiral Top chains
1873 Side flex Spiral Top Chains
3873 Side flex Spiral Top chains Gapless Plate – Right Handed
3873 Side flex Spiral Top chains Gapless Plate – Left Handed
3873 S-Radius ide flex Spiral Top chains Gapless Plate – Twin bearing
3872 Side flex Spiral Top Chains
2873SE-W265 Side flex Spiral Top Chains
Flex chains
1703
HL 1704
HL 1705
HL 1706
HL 1100
HL 1200
HL 1300
HL 9350
HL 1808
HL 1812
HL 2600
HL 2600TAB
HL 1400
HL 695
HL 635
HL 826
44 Plate Chain
44 Width-Tooth Plate Chain
43 Round-Head Convex Stop Chain
43 Round-Head Convex Point Chain
43 Round-Head Baffle Chain
44 V-Type Chain
X45 Plate Chain
63 A-Type Single Baffle Chain
140 Conveyor Half Beam
63 A-type Baffle Chain
63 Triangle Baffle Chain
63 Plate Chain
63 Full-Gum Anti-Slip Chain
63 V-Type Chain
63 Ball Chain
63 Steel Top Chain
63 Bottle-Clamping Chain
63 Seamless Crescent Chain
63 Pin Bottle Clamping Chain
63 Plate Chain
83 Cylindrical Baffle Chain
83 Triangle Baffle Chain
83 V-Type Chain
83 Ball Chain
Link8 3D Bottle Chain
83 Bottle Clamping Chain
103 Ball Chain
103 Anti-Slip Chain
103 Steel Top Chain
103 Triangle Baffle Chain
103 Plate Chain
140 Seamless Flat Chain
140 Plate Chain
Link140 Gear Chain
175 Pieces of Rubber Anti-Slip Chain
175 Plate Chain
175 Baffle Chain-H15
295 Seamless Flat Chain
Modular Belt
Pitch12.7mm
QX 400T
QX 400
HX 800
HX 500
QX 600
QX 600T
300
HX 1230
Pitch15.2mm
HX 1100
Pitch19.05mm
HX 100A
HX 100B
HX 100C
Pitch25.4mm
HX 1000A
HX 4707
QX 100
QX 100T
7400
SQX 200
RR 1600
HX 900
HX 1200
HX 1300
QX 300A(For Spiral Machine)
SC 1800(For Spiral Machine)
Pitch27.1mm
HX 300A
Pitch38.1mm
HX 4705
Pitch50.8mm
2000
QX 200
SC 3800(For Spiral Machine)
Processing Line
News
About us
Service
Contact Us
X
Search
65 Horizontal Wheel Bend-30°
Home
/
Spare Part
/ 65 Horizontal Wheel Bend-30°
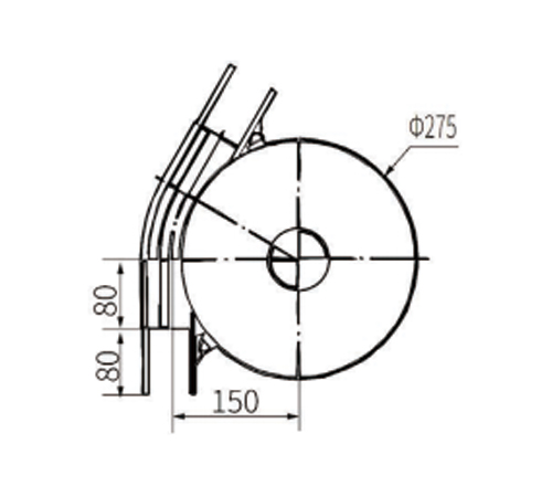
65 Horizontal Wheel Bend-30°
FL65-WT-WB-30
Chat Now
Message
Email
Product Details
Model
Turning Radius
Effective Track Length
Adapt Chain Plate Width
FL65-WT-WB-30
R(mm)
Monotrack(m)
Dualtrack(m)
mm
150
0.25
0.5
63
Related Products
Electric Heat Shrinking Stove
Plate Type UHT Sterilizer
Scraped surface heat exchanger
High pressure homogenizer
No posts found
01
The whole line process is safe, reliable and efficient.
02
Wide range of application
03
Customized on demand
06
Stable operation and low maintenance cost
05
High safety performance
04
Long service life
leave A
Message
At here, it’s all about giving the clients thebest quality products.
+8613601870614
+8613601870614
admin@unibanggroup.com
No. 3, Area 2, Fengshou Industrial Zone, Lane 388, Fengxiang Road, Baoshan District, Shanghai, China
Submit